400-168-9022
|
免责申明
|
网站地图
|
联系我们
网站首页
关于我们
企业简介
资质荣誉
新闻动态
公司新闻
行业新闻
产品展示
压力传感器
压力表
差压/压力变送器
压力开关控制器
温度传感器
温度控制仪
热电阻/偶
温湿度变送器
双金属温度计
就地温度显示仪
一体化温度变送器
液位物位计
磁翻板液位计
雷达液位计
超声波液位计
电容式液位计
投入式液位计
液位开关
浮球液位计
流量传感器
金属管浮子流量计
差压流量计
电磁流量计
涡街流量计
涡轮流量计
热式气体质量流量计
科里奥利质量流量计
防爆风速变送器
过程显示控制
手操器
智能手动操作器
智能PID调节器
多回路控制仪
多路巡检仪
双屏单回路控制仪
分析仪系列
溶氧仪
电导率仪
气体分析仪
PH电极系列
PH/ORP控制器
密度计
无线远传系列
气体报警器系列
成功案例
技术支持
联系我们
压力传感器
温度传感器
温度控制仪
热电阻/偶
温湿度变送器
双金属温度计
就地温度显示仪
一体化温度变送器
液位物位计
流量传感器
过程显示控制
分析仪系列
密度计
无线远传系列
气体报警器系列
首页
>
产品展示
>
温度传感器
>
一体化温度变送器
SBW带热电偶(阻)一体化温度变送器
电 话
:400-168-9022
传 真
:0550-7892119
邮 箱
:ahxipai@163.com
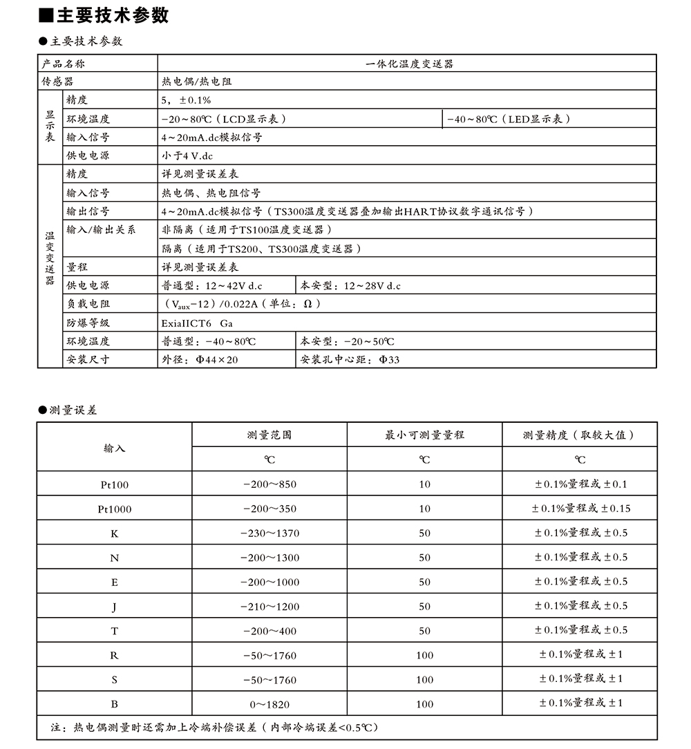
产品介绍
浏览:
上一篇:
SBWZ-1460精小型一体化温度变送器
下一篇:
SBW-WT型无线温度变送器
Copyright ©:
安徽西派仪表有限公司
皖ICP备16017711号-4
皖公网安备 34118102000975号
一站式营销:千秋在线