电缆工程中出现的各种“井”
01、集水井
电缆通道内不能有积水,需要维持一个干燥的环境,这样既防止设备受潮损坏,也便于运维人员巡视检修。因此规范要求电缆沟要满足一定坡度,同时坡度底部要设置集水井,用来收集和排放电缆沟内的积水。
普通的集水井仅包括井体、豪华的集水井可包含排水泵、水位传感器等部件。
电力电缆及通道运维规程(QGDW 10512-2024)、条文要求:F.6.3 电缆沟应有不小于0.5%的纵向排水坡度,并沿排水方向适当距离设置集水井。
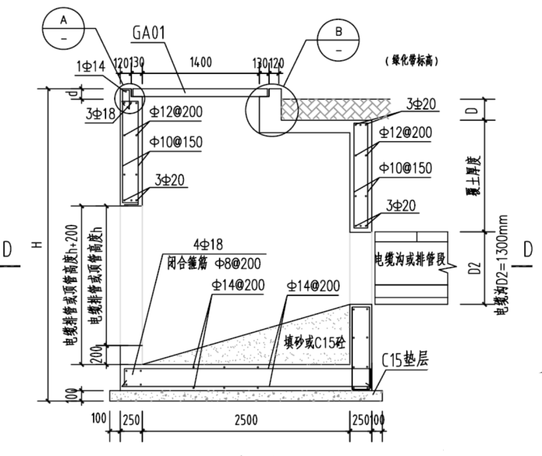
▲ 集水井配筋图
▲ 集水井
02、盘缆井
干电缆工程的都知道,电缆接续可不比架空导线那么简单,经常1米长度难倒英雄汉。比如电缆接头或终端出现故障,则须***要截断端部故障的电缆,此时需要有冗余的电缆来顶上,重新制作接头或者终端头。因此部分建设单位会要求在接头或终端部位建设盘缆沟或井,用于存储冗余电缆,以备不时之需。
电力电缆及通道运维规程(QGDW 10512-2024)、条文要求:F.3.9 电缆终端处应预留适量电缆,长度不小于制作一个电缆终端的裕度。盘缆井由混凝土、砖砌或预制构件,内壁需光滑避免损伤电缆。宽度和深度根据电缆盘绕直径及数量确定,注意要满足电缆***小弯曲半径要求。
▲ 盘缆井
▲ 盘缆井
接地箱井顾名思义是用来存放接地箱的。电缆接头或终端处需要用到接地箱,因此接地箱井一般建设在接头井旁边。
为了便于运维人员检修,接地箱井***好能放置在地面。电力电缆及通道运维规程(QGDW 10512-2024)、条文要求:电缆中间接头采用直埋、管沟敷设形式时,接地箱、交叉互联箱宜置于地面上,接地箱、交叉互联箱安装应与基础匹配,膨胀螺栓安装稳固,箱内接地线出线管口空隙应进行防火泥封堵。
▲ 接头井旁的接地箱井
检查井是为了方便运维人员进入电缆沟而开设的井口。其实它的主体就是电缆沟,只是在地面上开设了一个井口,方便运维人员进入。规范要求盖板下沉式的电缆沟每隔一段距离就要设置一处检查井。井口可以是方型,也可以是圆形。井口***好能设计防坠网等设备,防止人员掉落。
▲ 铸铁井盖
▲ 检修井断面图
▲ 防坠网
当电缆在敷设方式发生变化时,比如排管转化为电缆沟时,由于敷设高度的变化,一般需要设置直线工井,在井内实行敷设方式合理转化。
同时在排管口、顶管口、拖拉管口、一般需设置直线井,便于施工放缆,后期抢修维护。
▲ 直线井断面图
在电缆路径方向改变处(如90°转弯、斜角转弯)、需要设置转角井。首先是路径走向需要,其次在电缆敷设时合理布设导向轮或弧形支架分散电缆弯曲时的侧向拉力,减少对电缆护套的磨损,避免急弯导致绝缘损伤。
转角工井设计大小时尤其要注意满足电缆转弯半径需要。
多通井是指电缆可通往多个方向的工井,可分为三通井、四通井等等,功能和要求与转角井类似。
接头井是存放电缆接头的地方,是***重要的电缆工井。设计时要充分考虑:防水、防爆、防火、检修空间、接地地网、接头布置、人员出入、设备吊装、支架设计等问题。同时需要考虑与接地箱井等预留穿孔位置。
电力电缆及通道运维规程(QGDW 10512-2024),条文要求:F.3.10 并列敷设的电缆,其接头的位置宜相互错开且净距不宜小于0.5m。
F.3.11 电缆明敷时的接头应用托板托置固定、电缆接头两端应刚性固定,每侧固定点不少于2处;(如上图)、直埋电缆接头盒外面应有防止机械损伤的保护盒(环氧树脂接头盒除外)。电缆接头处宜预留适量裕度,长度不小于制作一个接头的裕度。
采用密闭式电缆接头井时、需预留两个不小于700mm的人员出入口;净高不小于1.9m。



