1分钟看懂浮子流量计,从“小白”到“老司机”只差这一篇
1、浮子流量计有哪些类型?各适用于什么场合?
浮子流量计使用较为广泛,据统计,目前国内流量测量中有15%使用它。有玻璃和金属两种类型。
玻璃浮子流量计可测量中、小流量和微流量,仅能就地指示。防腐型玻璃浮子流量计,除氢氟酸外,各种酸、碱及氯气等强腐蚀介质都可测量。
金属浮子流量计有普通型和特型两种。普通型金属浮子流量计可测量中、小流量,不但能就地指示,还可远传信号(气远传、电远传),带报警和积算装置。特殊型金属浮子流量计有:
①带夹套的金属浮子流量计,可在夹套中通入加热或冷却介质,以保护被测介质不产生结晶或气化,也可对高黏度介质起到保温作用,使其黏度稳定;
②防腐型金属浮子流量计,可用于腐蚀性介质的流量测量,有内衬和外包氟塑料、耐酸橡胶制造的,也有采用耐腐金属材料,如钛、钼二钛、锆等制造的;
③其他还有高温型、高压型等。
2、浮子流量计的浮子是转动的吗?
过去,玻璃管浮子流量计避免浮子和管壁摩擦,以及防止浮子不在锥管的中心轴上而产生测量误差,所以在浮子上刻有斜槽,使浮子不停地旋转,以保持在管子中间。 但是,旋转式浮子容易受黏度的影响,所以现在做的浮子大多不转了。为了保证浮子的稳定,有的在锥管的管路中设导杆,以防止浮子附着在锥管上;有的管壁面附有筋,浮子刻有导向槽,以使浮子处于垂直状态。 3、在浮子流量计中,为什么浮子要做成各种形状? 在浮子流量计中,当被测流体的雷诺数低于一定的界限值时,流量系数。便不等于常数,流量计的测量精度便受到影响。所以,浮子流量计的雷诺数一定要大于界限雷诺数。 从实验可知,不同几何形状的浮子,其界限雷诺数是不一样的。为了适应不同黏度的流体,浮子被做成各种形状,常见的浮子形状如图所示。其中(a)称为重锤式浮子,它的流量系数大,但易受黏度影响。(b)为黏度稳定浮子,它比(a)的流量系数小,但不易受黏度影响。(c)高黏度稳定浮子,直至很低的雷诺数范围内流量系数都很稳定,但流量系数比(b)还小。
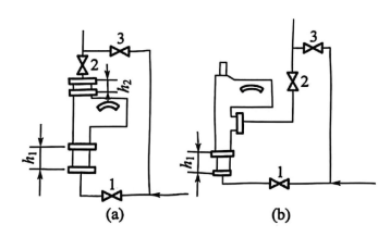
4、安装远传浮子流量计时应注意什么?
图中(a)、(b)分别为小流量及大流量远传浮子流量计安装示意图,图中1、2为截止阀,3为旁通阀。安装要求。
①远传浮子流量计须***垂直安装,被测介质流动方向应自下而上,故安装时应该用水平仪严格校准垂直度;
②使浮子导杆能有上下活动余地,应保证hi有一定直管段;
③考虑到拆装方便,在流量计上装短节,拆卸时应连同短节一起拆下,以免损坏浮子导杆。



